| Kullanılabilirlik Durumu: | |
|---|---|
| Miktar: | |
JH25
WORLD
![]() İlerici kalıp ve muti-istasyon kalıp damgası için uygun geniş masaBüyük boyutlu araçlar için uygun, tek krank presinden daha geniş destek ve slayt plakası. C Tip gövdesi, açık, yan bobin sayfası için daha kolay veya önden arka sayfa beslemesi. İki tonaj merkez noktası, RAM taraflarında daha büyük güç. Yüzey taşlama, daha yüksek düzlük.Destekte özelleştirilmiş hurda düşme delikleri. Destek ve slayt plakası boyutları özelleştirilebilir. Standart T yuvaları ve slayt plakasında. |
Çift krank mili, 42CRMO daha pürüzsüz bir yüzey için dövme ve yuvarlanma işlemi. Yanal kuvveti ortadan kaldırmak için ters döndürülür. Bakır Conrod çalı, yüksek kaliteli ön ve arka şaft çalıları, hepsi yağlanmış yağlanmıştır. Yüksek sertlikli bilyalı vidalı azot tedavisi. Uygun iki şanzıman dişli zamanlaması.
![]() Solenoid valf ile büyük tork ıslak tipi pnömatik debriyajKendinden üretilen yüksek kaliteli ıslak tip, debriyaj ve fren, güvenilir ve daha kolay bakım birleştirin. Toyooki/Taco/Ross marka çift güvenliği solenoid valf, debriyajı ve frenini düzgün çalışır. Güvenli hava basınçlı hava basıncı ölçer Hava basıncı anahtarı düzgün ve krank delme presinin emniyetini sağlar. Güvenlik debriyaj kapağı da standart donanımlıdır. |
![]() Otomatik Pres Makinesi için Dostluk Kolay Çalışma HMIAyar ve Monitör İşlevleri ile LCD dokunmatik ekran. Operatör, yağlama frekansını ve zamanını, kam açılarını, kam denetleyicisini ekrandan ayarlayabilir. Krank mili açısı göstergesi ışığı, lUbrikasyon ve aşırı yük alarm lambaları, operatörün pres çalışma durumunu kontrol etmesi daha kolaydır. Acil durdurma düğmesi, wOrtak modu SEVİYE SEÇİMİ, OVerload sıfırlama anahtarı panelde bulunur. Sayaç ve önceden ayarlanmış sayaç, üretim planını düzenlemek için uygundur. |
Hem mekanik hem de elektrikli kam kontrolörleri. CAM denetleyicileri dokunmatik ekran tarafından seçilebilir. AuxilliAY kullanıcı CAM denetleyicileri mevcuttur. Ünlü markalı yüksek kaliteli kodlayıcı PLC (Omron, Panansonic, Schneider).
![]() İlerici kalıp ve muti-istasyon kalıp damgası için uygun geniş masaBüyük boyutlu araçlar için uygun, tek krank presinden daha geniş destek ve slayt plakası. C Tip gövdesi, açık, yan bobin sayfası için daha kolay veya önden arka sayfa beslemesi. İki tonaj merkez noktası, RAM taraflarında daha büyük güç. Yüzey taşlama, daha yüksek düzlük.Destekte özelleştirilmiş hurda düşme delikleri. Destek ve slayt plakası boyutları özelleştirilebilir. Standart T yuvaları ve slayt plakasında. |
Çift krank mili, 42CRMO daha pürüzsüz bir yüzey için dövme ve yuvarlanma işlemi. Yanal kuvveti ortadan kaldırmak için ters döndürülür. Bakır Conrod çalı, yüksek kaliteli ön ve arka şaft çalıları, hepsi yağlanmış yağlanmıştır. Yüksek sertlikli bilyalı vidalı azot tedavisi. Uygun iki şanzıman dişli zamanlaması.
![]() Solenoid valf ile büyük tork ıslak tipi pnömatik debriyajKendinden üretilen yüksek kaliteli ıslak tip, debriyaj ve fren, güvenilir ve daha kolay bakım birleştirin. Toyooki/Taco/Ross marka çift güvenliği solenoid valf, debriyajı ve frenini düzgün çalışır. Güvenli hava basınçlı hava basıncı ölçer Hava basıncı anahtarı düzgün ve krank delme presinin emniyetini sağlar. Güvenlik debriyaj kapağı da standart donanımlıdır. |
![]() Otomatik Pres Makinesi için Dostluk Kolay Çalışma HMIAyar ve Monitör İşlevleri ile LCD dokunmatik ekran. Operatör, yağlama frekansını ve zamanını, kam açılarını, kam denetleyicisini ekrandan ayarlayabilir. Krank mili açısı göstergesi ışığı, lUbrikasyon ve aşırı yük alarm lambaları, operatörün pres çalışma durumunu kontrol etmesi daha kolaydır. Acil durdurma düğmesi, wOrtak modu SEVİYE SEÇİMİ, OVerload sıfırlama anahtarı panelde bulunur. Sayaç ve önceden ayarlanmış sayaç, üretim planını düzenlemek için uygundur. |
Hem mekanik hem de elektrikli kam kontrolörleri. CAM denetleyicileri dokunmatik ekran tarafından seçilebilir. AuxilliAY kullanıcı CAM denetleyicileri mevcuttur. Ünlü markalı yüksek kaliteli kodlayıcı PLC (Omron, Panansonic, Schneider).
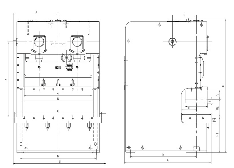
ÖĞE | Kodlamak | UNIT | JH25-110 | JH25-160 | JH25-200 | JH25-250 | JH25-315 | |
Nominal kapasite | Pe | Kn | 1100 | 1600 | 2000 | 2500 | 3150 | |
İnme uzunluğu | S | mm | 180 | 200 | 250 | 280 | 280 | |
Nominal tonaj noktası | mm | 5 | 6 | 7 | 7 | 7 | ||
İnme hızı | Sabit | SPM | 50 | 45 | 35 | 30 | 30 | |
Değişken (isteğe bağlı) | SPM | 35-60 | 35-55 | 25-40 | 20-35 | 20-35 | ||
Maks. Die kapalı yükseklik | H2 | mm | 400 | 450 | 500 | 550 | 550 | |
Die kapalı yükseklik ayarı | t | mm | 90 | 100 | 110 | 120 | 120 | |
Boğaz derinliği | G | mm | 350 | 390 | 430 | 470 | 480 | |
Dikler arasındaki mesafe | N | mm | 1470 | 1600 | 1920 | 2190 | 2170 | |
Masa Boyutu | F-b | D | mm | 680 | 760 | 840 | 920 | 940 |
L-R | C | mm | 1880 | 2040 | 2420 | 2700 | 2800 | |
Kalınlık | H3 | mm | 155 | 165 | 170 | 180 | 190 | |
Slayt Alt Boyutu | F-b | b | mm | 520 | 580 | 650 | 700 | 700 |
L-R | a | mm | 1400 | 1500 | 1850 | 2100 | 2100 | |
Masa Yüzey Yüksekliği (pedlerle) | H1 | mm | 1005 | 1005 | 1125 | 1225 | 1215 | |
Genel Boyutlar | F-b | A | mm | 1820 | 2080 | 2370 | 2700 | 2700 |
L-R | B | mm | 1970 | 2150 | 2500 | 2850 | 2850 | |
Yükseklik | H | mm | 3430 | 3660 | 4000 | 4400 | 4400 | |
Motor gücü | KW | 11 | 18.5 | 22 | 30 | 37 | ||
Hava basıncı | MPa | 0.5 | 0.5 | 0.5 | 0.5 | 0.5 | ||
Ağırlık (yaklaşık) | kilogram | 14000 | 19000 | 26500 | 35000 | 36000 | ||
ÖĞE | Kodlamak | UNIT | JH25-110 | JH25-160 | JH25-200 | JH25-250 | JH25-315 | |
Nominal kapasite | Pe | Kn | 1100 | 1600 | 2000 | 2500 | 3150 | |
İnme uzunluğu | S | mm | 180 | 200 | 250 | 280 | 280 | |
Nominal tonaj noktası | mm | 5 | 6 | 7 | 7 | 7 | ||
İnme hızı | Sabit | SPM | 50 | 45 | 35 | 30 | 30 | |
Değişken (isteğe bağlı) | SPM | 35-60 | 35-55 | 25-40 | 20-35 | 20-35 | ||
Maks. Die kapalı yükseklik | H2 | mm | 400 | 450 | 500 | 550 | 550 | |
Die kapalı yükseklik ayarı | t | mm | 90 | 100 | 110 | 120 | 120 | |
Boğaz derinliği | G | mm | 350 | 390 | 430 | 470 | 480 | |
Dikler arasındaki mesafe | N | mm | 1470 | 1600 | 1920 | 2190 | 2170 | |
Masa Boyutu | F-b | D | mm | 680 | 760 | 840 | 920 | 940 |
L-R | C | mm | 1880 | 2040 | 2420 | 2700 | 2800 | |
Kalınlık | H3 | mm | 155 | 165 | 170 | 180 | 190 | |
Slayt Alt Boyutu | F-b | b | mm | 520 | 580 | 650 | 700 | 700 |
L-R | a | mm | 1400 | 1500 | 1850 | 2100 | 2100 | |
Masa Yüzey Yüksekliği (pedlerle) | H1 | mm | 1005 | 1005 | 1125 | 1225 | 1215 | |
Genel Boyutlar | F-b | A | mm | 1820 | 2080 | 2370 | 2700 | 2700 |
L-R | B | mm | 1970 | 2150 | 2500 | 2850 | 2850 | |
Yükseklik | H | mm | 3430 | 3660 | 4000 | 4400 | 4400 | |
Motor gücü | KW | 11 | 18.5 | 22 | 30 | 37 | ||
Hava basıncı | MPa | 0.5 | 0.5 | 0.5 | 0.5 | 0.5 | ||
Ağırlık (yaklaşık) | kilogram | 14000 | 19000 | 26500 | 35000 | 36000 | ||
1. Güvenlik için Işık Perdesi: Operatör elini takım çalışma alanına koyarsa basın hemen duracaktır.
2. Pres çalışma hızlarını ayarlamak için motor frekans sürücüsü (inverter).
3. Die Yastık: Piston Tipi veya Körük Tipi
4. Hidrolik kalıp kelepçeleri ve kalıp kaldırıcıları (hızlı kalıp değiştirme cihazı)
5. Tonaj monitörüne basın
6. SErvo Bobin NC Besleyici
7. Kalıp Güvenlik Bloğu
8. Aktarım çubuklarına basın
1. Güvenlik için Işık Perdesi: Operatör elini takım çalışma alanına koyarsa basın hemen duracaktır.
2. Pres çalışma hızlarını ayarlamak için motor frekans sürücüsü (inverter).
3. Die Yastık: Piston Tipi veya Körük Tipi
4. Hidrolik kalıp kelepçeleri ve kalıp kaldırıcıları (hızlı kalıp değiştirme cihazı)
5. Tonaj monitörüne basın
6. SErvo Bobin NC Besleyici
7. Kalıp Güvenlik Bloğu
8. Aktarım çubuklarına basın
0086 21 62828320
0086 13817120700
wang@worldpowerpress.com