Haberler
geçerli yer: Ev » Haberler » Bilgi Merkezi » Pres makinelerinin elektrik güç kaynağı nasıl eşleşir

Pres makinelerinin elektrik güç kaynağı nasıl eşleşir

Görüntüleme sayısı:0     Yazar:Bu siteyi düzenle     Gönderildi: 2022-07-01      Kaynak:Bu site

Pres makinelerinizin elektrikli güç kaynağı nasıl eşleşir

Basın makineleri normalde 3 fazı elektrikli güç kaynaklarını benimser. Bu makale, güç kaynağı ayrıntılarını tanıtmaktır.Basın Makineleri. World Brand Press makinelerini örnek olarak kullanıyoruz.


Örnek:World C Frame Single Crank Press, JH21-160


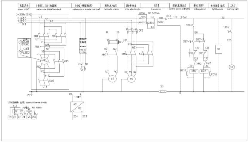
Basında üç parça elektrik motoru var. Ana motor, şanzıman sistemi, slaytı ayarlamak için düz fren motoru ve elektrikli gres pompası için küçük motor. Giriş Elektrik Güç Kaynağı Ana motoru ve slayt ayar motorunu doğrudan bağlar. Giriş gücü, gres pompası motorunu bir transformatöre bağlar. Transformatör, giriş güç voltajını 220V'ye aktarır.

Güç Pres Elektrik Diyagramı-2

Farklı ülkeler farklı endüstriyel voltaj standartlarına sahiptir. 220V, 380V, 400V, 415V, 440V ve 600V. Dünya marka basın makineleri Çin'de 380V olarak standart voltaj ile yapılır. Alıcı, basın makineleri için Dünya Makineleri ile sipariş vermeden önce yerel güç voltajını onaylayacaktır. Dünya makineleri güç pres makineleri voltaj standardını buna göre değiştirebilir. Ana motor ve slayt ayarlama motor voltajı değiştirilmelidir. Alıcının isteğe bağlı invertöre ihtiyacı varsa frekans invertör voltajı standardı da değiştirilmelidir. Gres pompası motor voltajının değiştirilmesi gerekmez, çünkü giriş transformatörden geçer.

Power Press Electric Güç Bağlantıları-2

3 faz kablolarını L1, L2 ve L3'e bağlayın. PE, güvenlik için topraklamaktır. Ana motoru açın, pres volan döndürme yönünü kontrol edin. Ok, volan güvenlik korumasında gösterdiği gibi, yön saat yönünde olmalıdır. Yön yanlışsa, sadece L1, L2 ve L3 terminalini değiştirmeniz gerekir.


Kabloların mevcut standardı

Mevcut amperler güç kapasitesine göre. Aşağıdaki tablo referans içindir.

Güç (KW)

Voltaj (V)

Mevcut (A)

0.75

380

2

1.5

380

3.6

2.2

380

5

3

380

6.6

4

380

8.5

5.5

380

11.5

7.5

380

15.5

11

380

22

15

380

30

18.5

380

37

22

380

44

30

380

60

37

380

72

45

380

85

55

380

105

75

380

138

90

380

160


TEMASTA OLMAK

  0086 21 62828320

  0086 13817120700

         0086 13817590728

  wang@worldpowerpress.com

         info@worldpowerpress.com

HIZLI LİNKLER

ÜRÜNLER

Copyright © SHANGHAI Yingxin DÜNYA MAKİNA CO., LTD. Her hakkı saklıdır. Web sitesi Davetiye Numarası: 沪 ICP 备 09030720 号 -2
tarafından Teknolojileadong/Site haritası